产品总汇
JDZ6-10(6)R 电压互感器
-
产品概述:
本型电压互感器为环氧树脂真空浇注全封闭单相户内结构, 一次采用熔管结构 , 主要适用于额定频率为50Hz或60Hz, 额定电压10kV及以下电力系统中作电能计量、 电压测量用。
本产品符合GB 20840.1-2010《互感器第1部分:通用技术要求》、 GB 20840.3-2013《互感器第3部分:电压互感器的补充技术要求》和JJG 314-2010《测量用电压互感器检定规程》。
产品选型:

使用环境:
1、海拔:不超过1000米;
2、环境温度:-5℃~+40℃;
3、空气相对湿度:≤85%;
4、安装场所:户内。
技术参数:
1、绝缘水平: 12/42/75kV,7.2/30/60 ;
2、功率因数:cosφ=0.8;
3、额定二次电流:5A或1A;
4、额定频率:50Hz或者60Hz;
5、重量:30kg。
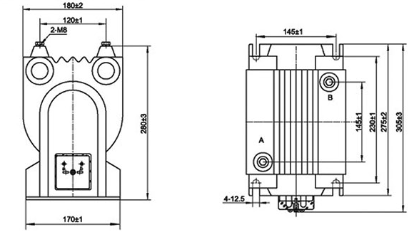
外形安装尺寸:









































