产品总汇
LZZBJ60-10 全封闭支柱式电流互感器
-
产品概述:
本型电流互感器为环氧树脂真空浇注全封闭支柱式结构, 主要适用于额定频率为50Hz或60Hz, 额定电压10kV及以下电力系统中作电能计量、 电流测量和继电保护用。
本产品符合GB 20840.1-2010《互感器第1部分:通用技术要求》、 GB 20840.2-2014《互感器第2部分: 电流互感器的补充技术要求》和JJG 313-2010《测量用电流互感器检定规程》
型号含义:

使用环境:
1、绝缘水平;12/42/75kV ;
2、功率因数:cosφ=0.8(滞后)
3、额定二次电流:5A或1A;
4、额定频率:50Hz或者60Hz;
5、重量:25kg。
技术参数:
1、绝缘水平:12/42/75kV;
2、功率因数;cosφ=0.8(滞后);
3、额定二次电流:5A或1A;
4、额定频率;50Hz或者60Hz;
5、重量:27kg。
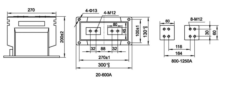
外形安装尺寸:









































