产品总汇
RW12高压跌落式熔断器
-
概述:
跌落式熔断器是配电线路分支线和配电变压器最常见的一种短路保护开关。它具有经济、操作方便、适应户外环境性强等特点,被广泛应用于配电线路和配电变压器一次侧作为保护和进行设备投、切操作之用。安装在配电线路分支上,可缩小停电范围。因其有一个明显的断开点,具有了隔离开关的功能,给检修线路和设备创造了一个安全作业环境,增加了检修人员的安全性。带拉负荷的跌落式熔断器,还配有弹性辅助触头和灭弧罩,用以分合额定负荷电流。
用途及执行标准:
本产品使用于10~35kV配电线路分支线和配电变压器一次侧,用于过载和短路保护,分合额定负荷电流。
本产品型号按JB/T8321-1996《交流高压熔断器型号编制办法》的规定进行编制,产品参数按GB15166.3-1994《交流高压熔断器 喷射式熔断器》标准执行。对该标准中未明确定义的重要参数及配置方式,按JB/DQ2139-1986《10-35kV户外交流高压跌落式熔断器暂行技术条件》的要求修正执行。
使用条件:
* 环境温度:不高于+40℃,不低于-30℃;
* 海拔高度:不超过1000m;(1000m以上可按GB311.1-1997进行修正);
* 电源频率:50±2Hz;
* 烈度:7度以下
* 最大风速:35m/s
主要技术参数:
型号
额定电压kv
额定电流A
开断电流kA
冲击电压BIL
工频耐压kv
PR12W-10/100
12
100
6.3
110
42
PR12W-10/200
12
200
12.5
110
42
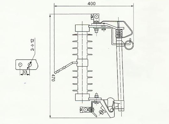
外形及安装尺寸:

工作原理:
熔丝管两端的动触头依靠熔丝(熔体)系紧,将上动触头推入"鸭嘴"凸出部分后,磷铜片等制成的上静触头顶着上动触头,故而熔丝管牢固地卡在"鸭嘴"里。当短路电流通过熔丝熔断时,产生电弧,熔丝管内衬的钢纸管在电弧作用下产生大量的气体因熔丝管上端被封死,气体向下端喷出,吹灭电弧。由于熔丝熔断,熔丝管的上下动触头失去熔丝的系紧力,在熔丝管自身重力和上、下静触头弹簧片的作用下,熔丝管迅速跌落,使电路断开,切除故障段线路或者故障设备。
在现实的10kV线路系统中和配电变压器上的熔断器不能正确动作,其原因之一是,电工素质差,责任心不强,常年不进行跌落式熔断器的维护和检修;原因之二是,跌落式熔断器的产品质量低劣,不能灵活的拉、合操作。两原因降低了跌落式熔断器的功能。现实中经常出现缺熔管、缺熔体或用铜丝、铝丝甚至于铁丝勾挂代替熔体的情况。使得线路的跳闸率和配电变压器的故障率居高不下。





























