产品总汇
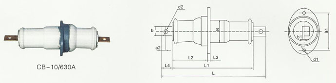
CLB-10KV/200-1500A铝导体穿墙套管
-
一、概述
高压穿墙套管(以下简称套管)适用于额定电压(10~35)kV, 频率(15~60)Hz的三相交流系统电站和变电所配电装置上 ,供导电部分穿过隔板、墙壁或其它接地物,起绝缘支持和外部导线(母线)间固定连接之用。使用环境条件
1)户内套管
环境温度不高于+40℃,不低于-40℃
海拔不超过l000m
相对湿度月平均值不大于90%
周围空气应不受腐蚀性或可燃气体、水蒸汽等明显污秽
无经常性的剧烈振动
2)户外套管
环境温度不高于+40℃,不低于-40℃;
海拔不超过l000m;
风速不大于34m/s
产品的使用环境的空气污秽程度,按GB/T5582 分为Ⅰ、Ⅱ、Ⅲ、Ⅳ等4 级;
无经常性的剧烈振动
二、产品特点
套管由瓷件、金属附件、安装法兰和导电排(杆)等组成。
三、用途及分类
穿墙瓷套管用于电站和变电所配电装置及高压电器,供导线穿过接地隔板、墙壁或电器设备外壳,支持导电部分使之对地或外壳绝缘。
穿墙瓷套管按其使用环境可分为户内和户外穿墙瓷套管。按穿过其中心的导体不同可分为母线穿墙瓷套管、铜导体穿墙瓷套管和铝导体穿墙瓷套管。
当铜导体与母线直接相连时,易产生电化腐蚀,接触面温升过高二导致接头烧坏,影响设备寿命,故应采用铜铝过渡接头,但又给现场施工带来麻烦,采用铝导体瓷套管则可解决上述问题。
户内、户外穿墙瓷套管是由瓷件、导电杆、两端金属附件及安装法兰装配而成。母线穿墙瓷套管是由瓷件、两端金属附件、母线夹板及安装法兰装配而成(母线夹板通常由用户按母线尺寸自配)。
穿墙瓷套管的各项性能符合GB12944.1《高压穿墙瓷套管技术条件》的规定。
四、型号说明
五、安装使用说明
1.穿墙瓷套管适用于工频交流额定电40.5kv以下,安装地点周围环境温度为-40℃~+40℃,海拔不超过1000m之电站及变电所配电装置。
2.户内穿墙套管不适用于对套管的瓷釉、金属附件及水泥胶合剂有破坏作用或足以降低套管电气性能的场所。
3.穿墙瓷套管在运行中如产生局部放电现象时,应检查瓷套管法兰处或内腔有无喷铝层局部脱落现象,如有应及时采取临时均压措施。
4.安装母线穿墙瓷套管的墙孔应按其法兰加强筋最大尺寸开孔。
六、外形及安装尺寸





















